Cung cấp các thiết bị gia:
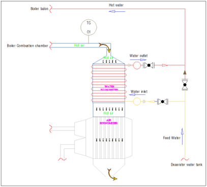
- Bộ sấy không khí (Air Heat Exchanger)
- Bộ hâm nước (Water Economizer)
- Bộ Cyclone chùm (Multi Cyclone Filter)
- Ventury lọc bụi
- Lọc bụi túi (Bag Filter House)
- Quạt công nghiệp, quạt lò hơi
- Trạm bơm thu hồi nước ngưng
Bộ sấy không khí (Air Heat Exchanger)


Mô tả sản phẩm:
– Nguyên lý: tận dụng khí thải của lò hơi để gia nhiệt dòng khí lạnh trước khi cấp vào buồng đốt lò hơi, sấy độ ẩm liệu.
– Nhiệt độ không khí vào: 27-300C
– Nhiệt độ không khí ra: 70-950C
– Tổ hợp ống trao đổi nhiệt: thép hàn SS400
– Vật liệu khung: thép hình SS400
– Sơn chống gỉ.
– Bảo ôn cách nhiệt dày 50mm
Tính năng sản phẩm:
– Là thiết bị trao đổi nhiệt, Để tránh lãng phí lượng khỏi thải thừa ra môi trường, bộ Air Heat Exchanger tận dụng nhiệt độ khói thải từ buồng đốt của lò hơi để gia nhiệt cho dòng khí lạnh tạo thành gió nóng và cấp sau đó cấp vào buồng đốt.
– Giúp nhiên liệu được sấy khô tăng cường sự cháy của nhiên liệu đốt.
– Dòng khí nóng này còn giúp cho nhiệt độ buồng đốt không giảm so với thiết kế đưa gió lạnh trực tiếp vào buồng đốt như các lò hơi trước đây.– Ngoài ra, thiết bị không chỉ là việc thu hồi kinh tế, bộ sấy khí còn có tác dụng làm giảm nhiệt độ trong khói thải lò hơi. Giúp các thiết bị xử lý khói thải lò hơi hoạt động hiệu quả và tuổi thọ làm việc lâu dài.
Bộ hâm nước (Water Economizer)



Mô tả sản phẩm:
– Nguyên lý: gia nhiệt nước trước khi cấp vào balon lò hơi.
– Diện tích tiếp nhiệt: lên đến 95 m2, hoặc thiết kế theo nhu cầu của khách hàng.
– Vật liệu: bằng gang hoặc Ống thép đúc tiêu chuẩn A106
– Nhiệt độ nước ra: lên đến 800C (Theo điều kiện nhiệt độ nước cấp và tốc độ dòng khí khói thải)
– Vật liệu khung: bằng gang hoặc thép hình SS400
– Bảo ôn cách nhiệt dày 50mm
Tính năng sản phẩm:
– Cũng nhưAir Heat Exchanger, bộ Water economizerlà thiết bị trao đổi nhiệt, Tận dụng nhiệt độ khói thải từ buồng đốt của lò hơi để tăng cường gia nhiệt cho nước cấp vào balon lò hơi, giúp tăng cường tiếp kiệm năng lượng, giảm tiêu hao nhiên liệu đốt. Khi năng lượng lãng phí này được tái sử dụng, nó có thể tiết kiệm đến khoảng 20% chi phí năng lượng của cơ sở.
– Water economizer là một giải pháp giúp tăng cường gia nhiệt nước lạnh khi lò hơi không có lượng nước hồi về, hạn chế giảm nhiệt độ trong balon hơi.– Không chỉ là việc thu hồi kinh tế, Thiết bị còn có tác dụng làm giảm nhiệt độ trong khói thải lò hơi. Giúp các thiết bị xử lý khói thải lò hơi phần đuôi lò hoạt động hiệu quả và tuổi thọ làm việc lâu dài.
Bộ Cyclone chùm (Multi Cyclone Filter)



Mô tả sản phẩm:
Nguyên lý: phương pháp lọc ly tâm – quán tính.
- Hiệu suất lọc: 85%
- Số lượng Cyclone: đa phần tử (theo công suất lò hơi)
- Vật liệu cyclone phần từ: bằng sứ hoặc thép SS400.
- Thân bọc ngoài bọc: thép SS400, shape steel
- Thiết bị rotary xả tro tự động.
Tính năng sản phẩm:
Là Thiết bị Lọc bụi thô thải ra từ buồng đốt lò hơi, Dòng khói sau khi được giảm nhiệt độ sẽ đi qua bộ lọc bụi khô Multi-Cyclone. Tại đây 85% lượng bụi đươc giữ lại bằng phương pháp lọc ly tâm – quán tính.
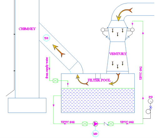
Ventury lọc bụi


Mô tả sản phẩm:
Nguyên lý: khử bụi bằng hệ béc phun nước vào dòng khí khói thải đi qua.
- Vật liệu chế tạo: SS400 steel
- Thân bọc ngoài bọc: thép SS400, shape steel
- Bên trong: lót đá Ceramic chống mài mòn
Tính năng sản phẩm:
- Với phương pháp lọc bụi tuy đơn giản nhưng đạt hiệu quả cao đối với các lò hơi đốt nhiên liệu Biomass trong việc xử lý các khí NOx, SO2, CO,…sinh ra trong quá trình đốt nhiên liệu, các khí thải độc hại này sẽ được hấp thụ và giải phóng bằng nước.
Lọc bụi túi (Bag Filter House)

Mô tả sản phẩm:
- Với sự phát triển mạnh mẽ trong công nghệ lọc bụi, hiện nay sản phẩm lọc bụi dạng túi được ứng dụng và sử dụng rộng rãi, với sự hiệu quả lọc lên đến 99% bụi.
- Bụi được rũ bằng hệ thống khí nén ở dạng xung giúp tiết kiệm khí nén.
- Hệ thống được điều khiển một cách hoàn toàn tự động thông qua bộ so lệch áp suất và bộ chương trình, làm tăng tính hiệu quả trong việc rũ bụi và tăng tuổi thọ cho túi.
- Ứng dụng rộng rãi trong lĩnh vực lọc bụi khói lò hơi, bụi xi măng, bụi gỗ, cám…
Đặc tính kỹ thuật:
- Công suất thiết kế: tùy theo công suất lò để thiết kế phù hợp
- Hiệu suất: Lên tới 99%
- Nhiệt độ vận hành: <250°C
- Nồng độ bụi đầu vào: <20g/Nm3
- Nồng độ bụi đầu ra: <30mg/ Nm3
- Trở lực qua hệ thống: <1500Pa
Quạt công nghiệp, quạt lò hơi



Thiết kế, chế tạo lắp đặt hệ thống quạt công nghiệp:
– Lựa chọn quạt theo thiết kế phù hợp cho từng lưu lượng và áp suất.
– Ứng dụng phù hợp cho hệ thống xử lý bụi, hệ thống vận chuyển khí động học.
– Hiệu suất cao, chi phí vận hành thấp.
– Tùy chọn thiết bị bảo vệ: Cảm biến tốc độ, cảm biến nhiệt độ vòng bi. – Kết cấu cứng vững với cao su chống rung, kéo dài tuổi thọ của hệ thống quạt. Đồ ồn thấp.

Trạm bơm thu hồi nước ngưng

Bơm nước ngưng là gì ?
Bằng áp lực lấy từ hơi nóng
Là hệ thống bơm lượng nước ngưng bằng bơm cao áp, với áp lực lớn bơm
Giải pháp công nghệ: bơm được thiết kế đẩy lượng nước ngưng bằng áp lực của hơi nóng, thay thế cho các loại bơm điện hay thường gặp hư hỏng và chi phí bảo trì cao như trước đây, với thiết kế cùng công suất. giúp tăng cao tuổi thọ và khả năng vận hành ổn định, không sử dụng điện năng
Đặc tính kỹ thuật của Trạm bơm thu hồi nước ngưng Adca Model POP | DN25 – DN80
- Vật liệu: Thép/ Thép không gỉ
- Kích thước: DN25 x DN25 – DN80 x DN50
- Kết nối: Ren/ Bích
- Áp suất tối đa: 16bar
- Nhiệt độ hoạt động tối đa: 185ºC
- Thay thế hiệu quả cho các loại bơm điện với cùng công suất
- Hiệu suất cao, không cần sử dụng nguồn điện.
- Khả năng tự vận hành cao